浙江金罗电气科技有限公司欢迎您!
简体中文
繁体中文
英文
搜索
网站首页
公司介绍
资料下载
产品中心
接触器
电抗器
复合开关
控制器
电容器
无触点开关
智能电容器
抗谐波智能电容
无功补偿控制器
检测报告
联系我们
首页
产品中心
控制器
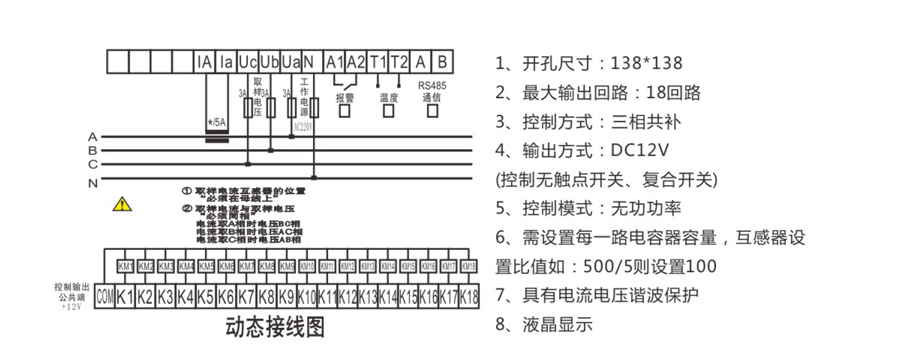
液晶共补型 JKW-18D-LCD
产品描述
上一篇:
液晶共补型 JKW-18J-LCD
下一篇:
液晶共补型 JKW-24D-LCD
相关推荐
更多>>
液晶共补型 JKW-12J-LCD
液晶共补型 JKW-16D-LCD
智能综合无功补偿控制器
无功功率自动补偿控制器
可控硅无触点投切开关 KCS1A0.4-(20-60)-3
CKSG系类低压串联电抗器
智能电容器 抗谐波智能电容
智能电容器 普通智能电容
友情链接:
网站首页
公司介绍
资料下载
产品中心
检测报告
联系我们
关注官方微信
Copyright © 浙江金罗电气科技有限公司 版权所有
浙ICP备20018813号-1